

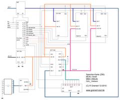
Speicherkarte für einen Z80 (12-2010)
MMU _ Parameter
256 x 4kByte Segmente bei einem Speicher vom 1MByte
128 Bänke zu je 16 x 4kByte können eingerichtet werden
es gibt zwei Versionen, einmal mit TTL-Gattern manuell aufgebaut und ein zweites mal mit einem PAL/GAL.
Herzstück der MMU ist das Dual-Port-Static-Ram IDT132xxx.
Dieses kann zum Beschreiben in den Speicherbereich des Z80 eingeblendet werden.
Alle verfügbaren 4KByte-Segmente können an beliebiger Stelle in den Speicher-Adressraum der Z80 gemappt werden.
Es stehen 128 Bänke für verschiedene Kombinationen bereit. Die Karte benötigt eine IO-Adresse, die über den 521 beliebig eingestellt werden kann. Auf dieser Adresse kann die zu verwendende Bank(0-127) gesetzt werden. Über das Bit 7 kann das MONROM im Bereich 0000-3FFF und der MMU-Speicher auf 4000-47FF eingeblendet werden.  |